Popis
Mobilní pískovací zařízení DBS-100RCS s dálkovým ovládáním se používá při volném tryskání převážně ocelových či železobetonových konstrukcí, mostů, nádrží, ale i cihlových a kamenných povrchů.
Ovládání je zajištěno pomocí pneumatického ventilu RCV, který se jednoduše ovládá na dálku a to kleštěmi u obsluhy. Tyto spínací kleště jsou pro lepší kontrolu umístěny na hadici u trysky. Tento způsob ovládání šetří provozní náklady a splňuje i ty nejpřísnější bezpečnostní kritéria.
Tato pískovačka lze zapůjčit na naší provozovně. Více půjčovna TRYTECH nebo nás kontaktujte telefonicky.

![]() |
CAF-3Aby se zabránilo vstupu kondenzátu a oleje do zařízení, jsou všechny tryskací jednotky Contracor® vybaveny vysoce výkonným odlučovačem vody CAF-3. |
![]() |
RCVVentil pro dálkové ovládání tryskací jednotky |
![]() |
Dávkovací ventil SGVTypové označení DBS označuje dávkovací ventil SGV pro tryskání s velmi agresivními abrazivy jako např. ocelová drť. |
|
|
Při dodávce obdržíte certifikát, provozní návody a rovněž lze dohodnout zaškolení, zprovoznění jednotky atd.
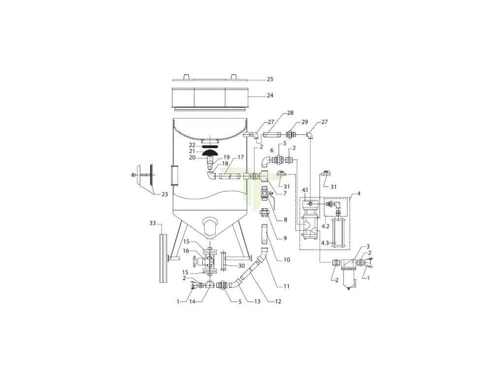
Součástí zařízení je:
-
tlaková nádoba 100l.
-
výkonný předfiltr CAF-3
-
dávkovací ventil SGV
-
pneumatický ventil RCV
-
TWIN hadice 20m.
-
ovládací kleště DMH
-
síto
-
víko

- Hadicová spojka, CFT
- Vsuvka 1 1/4” (MM)
- Separátor, CAF-3
- Ventil dálkového ovládání RCV
- Šroubení, 1 1/4" (MM)
- Koleno, 1 1/4” (MM)
- T kus 1 1/4” (MM)
- Kulový kohout, 1 1/4”, (FM)
- Šroubení, 1 1/4" (MM)
- Trubka,1 1/4" (MM)
- Koleno, 45°, 1 1/4” (FF)
- Trubka (dlouhá),1 1/4" (MM)
- Koleno, 1 1/4” (FM)
- T-kus, 90°, 1 1/4”, (FFF), pogumovaná
- Příruba SGV ventilu 1 1/4”
- Dávkovací ventil, SGV
- Trubka, 1 1/4” (MM)
- Koleno, 11/4" (MM)
- Trubka k pryžovému kuželu (vnitřní)
- Trubka k pryžovému kuželu (vnější)
- Pryžový kužel
- O-Kroužek kuželového ventilu
- Uzavírací sestava otvoru (pro servis)
- Síto
- Víko
- -
- Koleno, 1" (MM)
- Trubka, 11/4" (MM)
- Šroubení, 1" (FM)
- Pryžová trubka (liner)
- RC kulový kohout, 1/4”
- -
- Průmyslová kola
Podobné produkty
| Hmotnost | 110 kg |
| Max. Pracovní tlak, bar | 12 |
| Objem nádoby, litry | 100 |
| Průměr nádoby, mm | 508 |
| Výška kotle, mm | 1226 |
| Hmotnost, kg | 110 |
Ukázka
Buďte první, kdo napíše příspěvek k této položce.
Přidat komentář




